D941X智能一体化电动法兰蝶阀的技术参数
智能一体化电动蝶阀D941X智能一体化调节型电动蝶阀D941X-10Q智能一体化开关型电动蝶阀D941X-16Q电动调节型蝶阀/整体型电动调节蝶阀D941X-10C整体型电动开关蝶阀/智能调节型电动蝶阀/智能开关型电动蝶阀Q型智能一体化电动开关蝶阀Q型智能一体化电动调节蝶阀/智能一体化电动调节法兰蝶阀D941X-16C智能一体化电动开关型法兰蝶阀/智能一体化电动不锈钢蝶阀D941X-10P-16P智能一体化调节型电动不锈钢蝶阀/电动带手动调节型蝶阀/电动调节型铸钢蝶阀/电动调节型球墨铸铁蝶阀/防爆调节型电动蝶阀/智能一体化电动调节型橡胶软密封法兰蝶阀是由Q型智能一体化电动执行器和蝶阀组成,适用于经常操作、两位切断、调节的场合。蝶阀与执行机构的连接采用直连方式,电动执行机构内置伺服系统,无须另配伺服放大器,输入4~20mA信号及220/380VAC电源即可控制运转。具有连线简单,结构紧凑、尺寸小、重量轻、阻力小、动作稳定可靠等优点。执行机构可根据用户要求配置不同型号电动执行机构。


产品特点:
D941X电动法兰蝶阀是采用一体化结构,接入220V或380V电源即可控制运转,也可加入控制模块,输入控制信号(4-20mADC或1-5VDC)进行调节控制。电动法兰式蝶阀具有功能强,体积小,轻便宜人,性能可靠,配套简单元,流通能力大,对常温、干净介质,可选用阀板加软密封(橡胶圈、四氟圈)来减少泄漏(可达0.01%),高温高压工况可选用三偏心硬密封阀体。电动法兰式蝶阀可广泛应用于食品,环保,轻工,石油,化工,教学设备,造纸,电力等到行业的工业过程自动控制系统中。


电动执行器的特点:
智能一体化电动执行器不仅具有开关型一体化结构的功能,它还能对阀门进行精确控制,从而精确调节介质流量。


电动执行器选型参数:
1、控制信号类型(电流、电压)
智能一体化电动执行器控制信号一般有电流信号(4~20mA、0~10mA)或电压信号(0~5V、1~5V),选型时需明确其控制信号类型及参数。
2、工作形式(电开型、电关型)
调节型电动执行器工作方式一般为电开型(以4~20mA的控制为例,电开型是指4mA信号对应的是阀关,20mA对应的是阀开)。
另一种为电关型(以4-20mA的控制为例,电开型是指4mA信号对应的是阀开,20mA对应的是阀关)。
一般情况下选型需明确工作形式。
3、失信号保护
失信号保护是指因线路等故障造成控制信号丢失时,智能一体化电动执行器将控制阀门启闭到设定的保护值,常见的保护值为全开、全关、保持原位三种情况,智能电动执行器可以通过现场设定进行灵活修改,并可设定任意位置(0~)为保护值。


设计标准:
设计标准 | GB/T2238-1989 |
法兰连接尺寸 | GB/T9113.1-2000;GB/T9115.1-2000;JB78 |
结构长度 | GB/T12221-1989 |
压力试验 | GB/T13927-2000;JB/T9092-1999 |
技术参数:
公称通径DN(mm) | 50~2000 |
公称压力 | PN1.0、1.6MPa |
法兰标准 | JB/T79、GB/T9113、HG20594-97 |
连接形式 | 法兰式 |
阀板形式 | 垂直板式 |
流量特性 | 近似快开型 |
动作范围 | 0~90° |
泄露量 | 按GB/T4213-92,为Kv值的10-4 |
基本误差 | ±2.5% |
回差 | ±2.5% |
死区 | 1% (可调) |
可调范围 | 50:1 |
配置执行机构 | 可配精小型/Z型/Q型/QT型等系列角行程电动执行机构 |
控制方式 | 开关到位灯(开关两位控制)、智能调节(4~20mA模拟量信号控制) |
零件材料:
零件名称 | 材料 |
阀体 | 球墨铸铁、铸钢、不锈钢 |
蝶板 | 灰铸铁、球墨铸铁、铸钢、不锈钢及特殊材料 |
密封圈 | 各种橡胶、聚四氟 |
阀杆 | 2Cr13、不锈钢 |
填料 | O型圈、柔性石墨 |
性能规范:
公称通径DN(mm) | DN50~2000 | ||||
公称压力 | PN(MPa) | 0.6 | 1.0 | 1.6 | 2.5 |
试验压力 | 强度试验 | 0.9 | 1.5 | 2.4 | 3.75 |
密封试验 | 0.66 | 1.1 | 1.76 | 2.75 | |
低压气密试验 | 0.5~0.7 | ||||
适用介质 | 空气、水、污水、油品等 | ||||
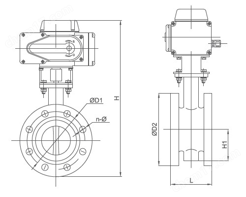
外形结构图:

连接尺寸:
公称通径 | 结构长度(标准值) | 外形尺寸(参考值) | 连接尺寸(标准值) | |||||||||||||||
0.6MPa | 1.0 MPa | 1.6 MPa | ||||||||||||||||
mm | inch | L | H | Ho | A | B | D | D1 | D2 | n-d | D | D1 | D2 | n-d | D | D1 | D2 | n-d |
50 | 2 | 108 | 82.5 | 443 | 125 | 125 | 140 | 110 | 88 | 4-14 | 165 | 125 | 99 | 4-18 | 165 | 125 | 99 | 4-18 |
65 | 21/2 | 112 | 92.5 | 463 | 125 | 125 | 160 | 130 | 108 | 4-14 | 185 | 145 | 118 | 4-18 | 185 | 145 | 118 | 4-18 |
80 | 3 | 114 | 100 | 483 | 125 | 125 | 190 | 150 | 124 | 4-18 | 200 | 160 | 132 | 8-18 | 200 | 160 | 132 | 8-18 |
100 | 4 | 127 | 110 | 498 | 125 | 125 | 210 | 170 | 144 | 4-18 | 220 | 180 | 156 | 8-18 | 220 | 180 | 156 | 8-18 |
125 | 5 | 140 | 125 | 682 | 325 | 245 | 240 | 200 | 174 | 8-18 | 250 | 210 | 184 | 8-18 | 250 | 210 | 184 | 8-18 |
150 | 6 | 140 | 142.5 | 736 | 325 | 245 | 265 | 225 | 199 | 8-18 | 285 | 240 | 211 | 8-22 | 285 | 240 | 211 | 8-22 |
200 | 8 | 152 | 170 | 800 | 325 | 245 | 320 | 280 | 254 | 8-18 | 340 | 295 | 266 | 8-22 | 340 | 295 | 266 | 12-22 |
250 | 10 | 165 | 197.5 | 895 | 363 | 313 | 375 | 335 | 309 | 12-18 | 395 | 350 | 319 | 12-22 | 405 | 355 | 319 | 12-26 |
300 | 12 | 178 | 222.5 | 956 | 363 | 313 | 440 | 395 | 363 | 12-22 | 445 | 400 | 370 | 12-22 | 460 | 410 | 370 | 12-26 |
350 | 14 | 190 | 252.5 | 1029 | 363 | 313 | 490 | 445 | 413 | 12-22 | 505 | 460 | 429 | 16-22 | 520 | 470 | 429 | 16-26 |
400 | 16 | 216 | 282.5 | 1103 | 363 | 313 | 540 | 495 | 463 | 16-22 | 565 | 515 | 480 | 16-26 | 580 | 525 | 480 | 16-30 |
450 | 18 | 222 | 307.5 | 1186 | 465 | 439 | 595 | 550 | 518 | 16-22 | 615 | 565 | 530 | 20-26 | 640 | 585 | 548 | 20-30 |
500 | 20 | 229 | 335 | 1280 | 546 | 431 | 645 | 600 | 568 | 20-22 | 670 | 620 | 582 | 20-26 | 715 | 650 | 609 | 20-33 |
600 | 24 | 267 | 390 | 1321 | 546 | 556 | 755 | 705 | 667 | 20-26 | 780 | 725 | 682 | 20-30 | 840 | 770 | 720 | 20-36 |
700 | 28 | 430 | 447.5 | 1431 | 546 | 556 | 860 | 810 | 772 | 24-26 | 895 | 840 | 794 | 24-30 | 910 | 840 | 794 | 24-36 |
800 | 32 | 470 | 507.5 | 1542 | 546 | 556 | 975 | 920 | 878 | 24-30 | 1015 | 950 | 901 | 24-33 | 1025 | 950 | 901 | 24-39 |
900 | 36 | 510 | 557.5 | 1800 | 617 | 706 | 1075 | 1020 | 978 | 24-30 | 1115 | 1050 | 1001 | 28-33 | 1125 | 1050 | 1001 | 28-39 |
1000 | 40 | 550 | 615 | 2363 | 632 | 706 | 1175 | 1120 | 1078 | 28-30 | 1230 | 1160 | 1112 | 28-36 | 1255 | 1170 | 1112 | 28-42 |
1200 | 48 | 630 | 727.5 | 2583 | 632 | 706 | 1405 | 1340 | 1295 | 32-33 | 1455 | 1380 | 1328 | 32-39 | 1485 | 1390 | 1328 | 32-48 |
1400 | 56 | 710 | 837.5 | 2710 | 790 | 1338 | 1630 | 1560 | 1510 | 36-36 | 1675 | 1590 | 1530 | 36-42 | 1685 | 1590 | 1530 | 36-48 |
1600 | 64 | 790 | 957.5 | 2845 | 868 | 1476 | 1830 | 1760 | 1710 | 40-36 | 1915 | 1820 | 1750 | 40-48 | 1930 | 1820 | 1750 | 40-56 |
1800 | 72 | 870 | 1057 | 3060 | 868 | 1476 | 2045 | 1970 | 1918 | 44-39 | 2115 | 2020 | 1950 | 44-18 | 2130 | 2020 | 1950 | 44-56 |
2000 | 80 | 950 | 1162.5 | 3350 | 965 | 1600 | 2265 | 2180 | 2125 | 48-42 | 2325 | 2230 | 2150 | 48-48 | 2345 | 2230 | 2150 | 48-62 |
上海乔邑阀门主要生产销售【智能一体化电动蝶阀D941X智能一体化调节型电动蝶阀D941X-10Q智能一体化开关型电动蝶阀D941X-16Q电动调节型蝶阀/整体型电动调节蝶阀D941X-10C整体型电动开关蝶阀/智能调节型电动蝶阀/智能开关型电动蝶阀Q型智能一体化电动开关蝶阀Q型智能一体化电动调节蝶阀/智能一体化电动调节法兰蝶阀D941X-16C智能一体化电动开关型法兰蝶阀/智能一体化电动不锈钢蝶阀D941X-10P-16P智能一体化调节型电动不锈钢蝶阀/电动带手动调节型蝶阀/电动调节型铸钢蝶阀/电动调节型球墨铸铁蝶阀/防爆调节型电动蝶阀/智能一体化电动调节型橡胶软密封法兰蝶阀】,备有大量库存现货直销!我们一直秉持“合理价格、贴心服务"的理念,努力为用户提供可靠的产品和完善的售后服务。本文中所有文字、数据、图片仅供参考。















