气动天然气对夹蝶阀D671X5气动燃气切断蝶阀的工作原理
气动调节型燃气蝶阀TD671X5气动调节型天然气蝶阀/带控制箱调节型气动蝶阀TD671X气动调节型蝶阀带PLC控制箱D671X气动调节蝶阀D671X-10Q气动调节型对夹蝶阀D671X-16Q防爆气动调节蝶阀/气动调节型不锈钢蝶阀TD671F气动调节型不锈钢对夹蝶阀/气动不锈钢调节蝶阀D671F气动四氟密封对夹式不锈钢调节型蝶阀/气动带手轮蝶阀/气动带手动蝶阀/单作用气动蝶阀/断电停气故障弹簧自动复位气动蝶阀D671F气动四氟密封调节蝶阀D671X气动橡胶密封调节蝶阀是利用气源驱动来调节蝶板开度,从而控制介质流量大小的可调节型气动蝶阀,主要由蝶阀与气动执行器、阀门定位器及其它附件配套组合而成。气动调节蝶阀根据自动化系统中阀门定位器输入4-20MA的信号后,通过0.4-0.7MPa进气来调节阀门的开度大小,从而实现对管道中介质流量、压力、温度和液位等工艺参数的比例式精确调节,是调节流量和截断流体的一种装置。气动调节蝶阀可根据工况需要选用不同密封件(橡胶密封和四氟密封),以满足于不同的使用要求,广泛应用于化工、环保、空气、水、燃气、蒸汽及含有腐蚀性介质的管道上。



原理:
气动蝶阀执行机构分为单作用和双作用原理,也就是常见的气动开关蝶阀和气动调节蝶阀。单作用为气关弹簧复位式和气开弹簧自动归位,单作用适用于要求常开或常闭的场所。双作用为气开气关式,开启和关闭都需要气源压力,而调节型气动蝶阀通常选用双作用方式。



主要特点:
1、设计新颖、合理、结构简单,重量轻,启闭迅速。
2、操力矩小,操作方便,省力灵巧。
3、可以任何位置安装,维修方便。
4、密封件可以更换,密封性能可靠达到双向密封零泄漏。
5、密封材料耐老化、耐腐蚀,使用寿命长等特点。
设计标准:
设计标准 | GB/T12238-1989 |
法兰连接尺寸 | GB/T9113.1-2000;GB/T9115.1-2000;JB78 |
结构长度 | GB/T12221-1989 |
压力试验 | GB/T13927-2000;JB/T9092-1999 |
技术参数:
公称通径DN(mm) | DN50~1000mm |
公称压力(MPa) | PN1.0、1.6、2.5MPa |
阀体形式 | 直通铸造阀体 |
连接形式 | 法兰式、对夹式 |
阀芯形式 | 蝶板式 |
密封填料 | 柔性石墨、聚四氟乙烯 |
基本误差 | 带定位器:小于全行程的±2% |
回差 | 带定位器:小于全行程的±2% |
控制方式 | 开关型(开关两位控制)、调节型(4~20mA控制) |
气动执行器参数:
执行器型号 | GT、AT、AR、AW系列单双作用气动执行器 |
供气压力 | 0.4~0.7MPa |
气源接口 | G1/4"、G1/8"、G3/8"、G1/2" |
环境温度 | -30~+70℃ |
作用形式 | 单作用执行机构:气关式(B)--失气时阀位开(FO);气开式(K)--失气时阀位关(FC) 双作用执行机构:气关式(B)--失气时阀位保持(FL);气开式(K)-- 失气时阀位保持(FL) |
可配附件 | 定位器、电磁阀、空气过滤减压器、保位阀、行程开关、阀位传送器、手轮机构等 |
采用新型AT/GT系列气动执行器,有双作用式和单作用式(弹簧复位),齿轮齿条传动,安全可靠;大口径阀门采用系列AW型气动执行器拔叉式传动,结构合理,输出扭矩大,有双作用式和单作用式。
1、齿轮式双活塞,输出力矩大,体积小。
2、气缸选用铝合金材料,重量轻、外形美观。
3、可在顶部、底部安装手动操作机构。
4、齿条式连接可调节开启角度、额定流量。
5、执行器可选带电讯号反馈指示及各类附件以实现自动化操作。
6、IS05211标准连接为产品的安装更换提供了方便。
7、两端调的节螺钉可使标准产品在0°和90°有±4°的可调范围。确保与阀门的同步精度。


单作用气动执行器和双作用气动执行器的区别:
气动蝶阀中单作用和双作用指的是气动蝶阀所配气动执行器可分为单作用和双作用。其区别在于:单作用的气缸内有弹簧,而双作用内没有。因此单作用气动执行器的价格比双作用气动执行器的价格要高。
单作用气动执行器一般分为常开型和常闭型(常开型:通气关,断气开;常闭型:通气开,断气关),也就是说,在安装之前有一个设定,设定其为开或者关,如果是常开的,那就是在通气的情况下气动执行器关闭阀门,如果气源出现故障或者突然停电,单作用气动执行器靠弹簧自动复位为开的状态,也就是说会回到它的设定状态,设定为关,则会回到关的状态,一般在危险的工况中使用较多,比如输送可燃气体或可燃液体,在失去气源又出现紧急情况的时候,单作用气动执行机构能自动复位把危险降低,而双作用就不能复位。
双作用气动执行器在通气的情况下气动执行器打开阀门,当要关闭阀门的时候另外一边通气才能关闭,双作用气动执行器是靠气缸工作复位的,在失去气源的时候只能保持原位。

附件的选项:
根据不同控制和要求可选择下列附件:
切断型附件:单电控电磁阀、双电控电磁阀、限位开关回讯器。
调节型附件:电气定位器、气动定位器、电气转换器。
气源处理附件:空气过滤减压阀、气源处理三联件。
手动机构:HVSD手操机构
防爆:气动附件可做防爆
防爆等级:EX dⅡBT4 EX dⅡCT6
电压:AC220V、AC380V、DC24V

零件材料:
零件名称 | 主要材料 |
阀体 | 灰铸铁、球墨铸铁、铸钢、合金钢、不锈钢 |
蝶板 | 灰铸铁、球墨铸钢、铸钢、不锈钢及特殊材料 |
密封圈 | 各种橡胶、聚四氟 |
阀杆 | 2Cr13、不锈钢 |
填料 | O型圈、柔性石墨O |
性能规范:
公称通径 | DN(mm) | 50~1000 | ||
公称压力 | PN(MPa) | 0.6 | 1.0 | 1.6 |
试验压力 | 强度试验 | 0.9 | 1.5 | 2.4 |
密封试验 | 0.66 | 1.1 | 1.76 | |
气密封试验 | 0.6 | 0.6 | 0.6 | |
适用介质 | 空气、水、污水、蒸气、煤气、油品等。 | |||
驱动形式 | 气动传动 | |||
密封材料和适用温度:
| 材料品种 | 氯丁橡胶 | 丁晴橡胶 | 乙丙橡胶 | 聚四氟乙烯 | 硅橡胶 | 氟橡胶 | 天然橡胶 | 尼龙 |
英语简称 | CR | NBR | EPDM | PTFE | SI | VITON | NR | PA |
型号代号 | X或J | XA或JA | XB或JB | F或XC、JC | XD或JD | XE或JE | X1 | N |
耐Z高温度 | 82℃ | 93℃ | 150℃ | 232℃ | 250℃ | 204℃ | 85℃ | 93℃ |
耐Z低温度 | -40℃ | -40℃ | -40℃ | -268℃ | -70℃ | -23℃ | -20℃ | -73℃ |
适用工作温度 | 0~+80℃ | -20~+82℃ | -40~+125℃ | -30~+150℃ | -70~+150℃ | -23~+150℃ | -20~+85℃ | -30~+93℃ |
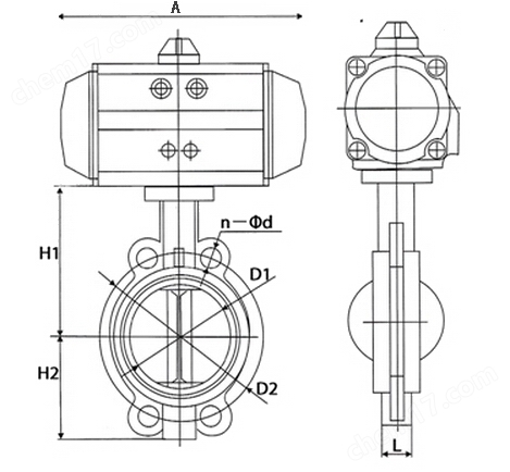
外形结构图:

主要外形连接尺寸:
公称通径 | 长度 | 外形尺寸(参考值) | 连接尺寸(标准值) | |||||||||||
0.6MPa | 1.0MPa | 1.6MPa | ||||||||||||
毫米 | 英寸 | L | H1 | H2 | A | D | D1 | n-d | D | D1 | n-d | D | D1 | n-d |
50 | 2 | 43 | 63 | 315 | 180 | 140 | 110 | 4-14 | 165 | 125 | 4-18 | 165 | 125 | 4-18 |
65 | 21/2 | 46 | 70 | 330 | 180 | 160 | 130 | 4-14 | 185 | 145 | 4-18 | 185 | 145 | 4-18 |
80 | 3 | 46 | 83 | 390 | 245 | 190 | 150 | 4-18 | 200 | 160 | 8-18 | 200 | 160 | 8-18 |
100 | 4 | 52 | 105 | 431 | 240 | 210 | 170 | 4-18 | 220 | 180 | 8-18 | 220 | 180 | 8-18 |
125 | 5 | 56 | 115 | 455 | 240 | 240 | 200 | 8-18 | 250 | 210 | 8-18 | 250 | 210 | 8-18 |
150 | 6 | 56 | 137 | 626 | 350 | 265 | 225 | 8-18 | 285 | 240 | 8-22 | 285 | 240 | 8-22 |
200 | 8 | 60 | 164 | 720 | 350 | 320 | 280 | 8-18 | 340 | 295 | 8-22 | 340 | 295 | 12-22 |
250 | 10 | 68 | 206 | 800 | 550 | 375 | 335 | 12-18 | 395 | 350 | 12-22 | 405 | 355 | 12-26 |
300 | 12 | 78 | 230 | 860 | 600 | 440 | 395 | 12-22 | 445 | 400 | 12-22 | 460 | 410 | 12-26 |
350 | 14 | 78 | 248 | 883 | 600 | 490 | 445 | 12-22 | 505 | 460 | 16-22 | 520 | 470 | 16-26 |
400 | 16 | 102 | 289 | 972 | 600 | 540 | 495 | 16-22 | 565 | 515 | 16-26 | 580 | 525 | 16-30 |
450 | 18 | 114 | 320 | 1043 | 750 | 595 | 550 | 16-22 | 615 | 565 | 20-26 | 640 | 585 | 20-30 |
500 | 20 | 127 | 343 | 1098 | 750 | 645 | 600 | 20-22 | 670 | 620 | 20-26 | 715 | 650 | 20-33 |
600 | 24 | 154 | 413 | 1236 | 750 | 755 | 705 | 20-26 | 780 | 725 | 20-30 | 840 | 770 | 20-36 |
700 | 28 | 165 | 478 | 1431 | 750 | 860 | 810 | 24-26 | 895 | 840 | 24-30 | 910 | 840 | 24-36 |
800 | 32 | 190 | 525 | 1488 | 750 | 975 | 920 | 24-30 | 1015 | 950 | 24-33 | 1025 | 950 | 24-39 |
900 | 36 | 203 | 620 | 1615 | 1250 | 1075 | 1020 | 24-30 | 1115 | 1050 | 28-33 | 1125 | 1050 | 28-39 |
1000 | 40 | 216 | 725 | 1765 | 1500 | 1175 | 1120 | 28-30 | 1230 | 1160 | 28-36 | 1255 | 1170 | 28-42 |
1200 | 48 | 254 | 780 | 1976 | 1500 | 1405 | 1340 | 32-33 | 1455 | 1380 | 32-39 | 1485 | 1390 | 32-48 |
上海乔邑阀门主要生产销售【气动调节型燃气蝶阀TD671X5气动调节型天然气蝶阀/带控制箱调节型气动蝶阀TD671X气动调节型蝶阀带PLC控制箱D671X气动调节蝶阀D671X-10Q气动调节型对夹蝶阀D671X-16Q防爆气动调节蝶阀/气动调节型不锈钢蝶阀TD671F气动调节型不锈钢对夹蝶阀/气动不锈钢调节蝶阀D671F气动四氟密封对夹式不锈钢调节型蝶阀/气动带手轮蝶阀/气动带手动蝶阀/单作用气动蝶阀/断电停气故障弹簧自动复位气动蝶阀D671F气动四氟密封调节蝶阀D671X气动橡胶密封调节蝶阀】,备有大量库存现货直销!我们一直秉持“合理价格、贴心服务"的理念,努力为用户提供可靠的产品和完善的售后服务。本文中所有文字、数据、图片仅供参考。













